legines.com
69# Sıkıştırma 90 ° pirinç erkek dirseği

69# Sıkıştırma 90 ° pirinç erkek dirseği

Uygulamalar: Piyasalar:
■■ Hava hatları ■■ Sanayi
■■ Yağlama çizgileri ■■ Ambalajlama
■■ Soğutma hatları ■■ Pnömatik
■■ Sanayi ■■ Baskı
■■ Makine
■■ Kompresörler
■■ Akışkan transferi

Ürün Özellikleri:
■■ SAE J-512'nin işlevsel gereksinimlerini karşılıyor
■■ Yanıcı sıvı için listelenmiş
■■ Pirinç veya asetal kılıf mevcut
■■ Tüp Hazırlık Yok
■■ Dövme ve ekstrüde şekiller

Referans Bölüm Hayır:
69 -169 -S69 -69A

Bize Ulaşın

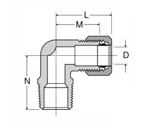
Spesifikasyonlar

PARÇA# Tüp O.D*Erkek NPTF N M
69-2A 1/8*1/8 .68 .59
69-3A 3/16*1/8 .68 .62
69-3B 3/16*1/4 .85 .61
69-4A 1/4*1/8 .75 .62
69-4B 1/4*1/4 .91 .65
69-4C 1/4*3/8 .93 .72
69-4D 1/4*1/2 1.11 .82
69-5A 5/16*1/8 .71 .67
69-5B 5/16*1/4 .82 .66
69-5C 5/16*3/8 .93 .81
69-5D 5/16*1/2 1.12 .82
69-6A 3/8*1/8 .72 .72
69-6B 3/8*1/4 .88 .75
69-6C 3/8*3/8 .93 .81
69-6D 3/8*1/2 1.18 .87
69-8B 1/2*1/4 .97 .88
69-8C 1/2*3/8 1.06 .88
69-8D 1/2*1/2 1.13 .94
69-8E 1/2*3/4 1.25 1.16
69-10C 5/8*3/8 1.25 1.06
69-10D 5/8*1/2 1.31 1.06
69-12d 3/4*1/2 1.31 1.19
69-12E 3/4*3/4 1.38 1.19

*Ref.Sae No.060202 BA

Pirinç ve asetal 90 ° erkek dirseğimiz SAE J-512'ye göre tasarlanmıştır. Bu spesifikasyonun fonksiyonel gereksinimlerini, bir sıkıştırma eklemi ve oluşturulmuş bir sonla karşılıyor. Pirinç veya asetal manşon, sertlik sağlayan, ancak tüp (ler) in hazırlanmadan sokulmasına izin veren işlenmiş bir flanşa gömülüdür.
90 ° Erkek Pirinç Dirsek Bağlantısı, boruyu tüp hazırlanmasına gerek kalmadan bağlamak için tasarlanmıştır. Bu evrensel montaj, monte edilmesi ve bakımı kolay olan karmaşık boru sistemleri oluşturmak için diğer benzer bağlantı parçaları ile kullanılabilir. .

Bizimle iletişime geçin

Hakkında Cenaze

LEGINES Industrial Machinery Inc.

Profesyonel bir Çin pirinç armatürleri üreticileri ve takma tedarikçileri tedarikçileri olarak itin. Tam CNC işlemeyi benimser ve 3600 metrekarelik atölye alanına sahiptir. 45 otomatik takım tezgahı, 35 yarı otomatik CNC takım tezgahı ve Çin'de Amerikan standart pirinç parçalarının üretimi için önemli tedarikçiler haline gelen distribütörler ...
  • onur
  • onur

TALİMATLAR & HABERLER