legines.com
42# SAE 45 ° Flare dişi konnektör pirinç parlama bağlantı parçaları

42# SAE 45 ° Flare dişi konnektör pirinç parlama bağlantı parçaları

Ürün Özellikleri:
■■ Tüm pirinç inşaat
■■ Uzun somun kullanımı ile titreşime direnir
■■ UL Listesi
■■ SAE J512 ve J513'ün Fonksiyonel Gereksinimleri


Piyasalar: Uygulamalar:
■■ Soğutma ■■ Soğutucu
■■ Ağır hizmet tipi kamyon ■■ Propan
■■ Hareketli ■■ Yakıt
■■ Sanayi ■■ Adaptörler
■■ Isıtma ■■ Doğal gaz
■■ Klima

Referans Bölüm Hayır:
46 -U3 -10227-10248

Bize Ulaşın

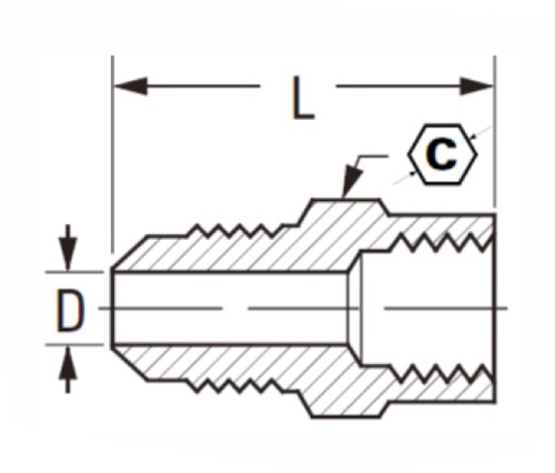
Spesifikasyonlar

PARÇA#

Flare O.D × İplik

C

D

L

46-3A

3/16 × 1/8

9/16

.126

.58

46-4A

1/4 × 1/8

9/16

.189

.69

46-4B

1/4 × 1/4

11/16

.189

.79

46L-4B

1/4 × 1/4

11/16

.189

.88

46-4C

1/4 × 3/8

13/16

.189

1.06

46-4D

1/4 × 1/2

15/16

.189

1.31

46-5A

5/16 × 1/8

5/8

.219

1.38

46-5B

5/16 × 1/4

11/16

.219

1.44

46-5C

5/16 × 3/8

13/16

.219

1.69

46-6A

3/8 × 1/8

5/8

.282

1.88

46-6B

3/8 × 1/4

11/16

.282

1.87

46L-6B

3/8 × 1/4

13/16

.282

1.31

46-6C

3/8 × 3/8

13/16

.282

1.44

46-6D

3/8 × 1/2

1 "

.282

1.69

46L-6D

3/8 × 1/2

15/16

.282

1.44

46-8B

1/2 × 1/4

3/4

.408

1.60

46-8C

1/2 × 3/8

13/16

.408

1.62

46L-8C

1/2 × 3/8

13/16

.408

1.46

46-8d

1/2 × 1/2

1 "

.408

1.73

46L-8D

1/2 × 1/2

7/8

.408

1.62

46-8E

1/2 × 3/4

1-3/16

.408

1.75

46-10C

5/8 × 3/8

7/8

.500

1.79

46-10D

5/8 × 1/2

1 "

.500

1.98

46-12d

3/4 × 1/2

1-3/16

.625

2.17

46-12E

3/4 × 3/4

1-3/16

.625

2.08

"L" ışık deseni anlamına gelir.

Bu bağlantı parçaları tam desen bağlantı parçaları ile tamamen değiştirilebilir, ancak değiştirilmiş bir şekilde değiştirilmiştir.

Bu değişiklik genellikle sıhhi tesisat ve hafif endüstriyel uygulamalarda kullanılan boru ipliklerinin uzunluğundadır.

*Boyut verileri bildirimde bulunmaksızın değiştirilebilir

*Ref.sae No.010103

SAE 45 ° Parlama konnektörü, yüksek güvenilirlik gerektiren ışık-orta görev uygulamaları için tasarlanmıştır. 46-U3, neopren astarlı nitril kauçuk hortumu kullanılarak 10.000 psi maksimum basınç için kullanılır. Bu konektör, titreşime direnen ve ürün ömrünü uzatan ağır bir somuna sahiptir. SAE Erkek Flare Fitting, arıza veya bakım durumunda bağlantı parçasını değiştirmek için özel bir araç gerektiren bir süngü kilit halkası kullanır. .

Bizimle iletişime geçin

Hakkında Cenaze

LEGINES Industrial Machinery Inc.

Profesyonel bir Çin pirinç armatürleri üreticileri ve takma tedarikçileri tedarikçileri olarak itin. Tam CNC işlemeyi benimser ve 3600 metrekarelik atölye alanına sahiptir. 45 otomatik takım tezgahı, 35 yarı otomatik CNC takım tezgahı ve Çin'de Amerikan standart pirinç parçalarının üretimi için önemli tedarikçiler haline gelen distribütörler ...
  • onur
  • onur

TALİMATLAR & HABERLER