legines.com
51# sae 45 ° parlama pirinç dövme erkek koşu tişört

51# sae 45 ° parlama pirinç dövme erkek koşu tişört

Ürün Özellikleri:
■■ Tüm pirinç inşaat
■■ Uzun somun kullanımı ile titreşime direnir
■■ UL Listesi
■■ SAE J512 ve J513'ün Fonksiyonel Gereksinimleri


Piyasalar: Uygulamalar:
■■ Soğutma ■■ Soğutucu
■■ Ağır hizmet tipi kamyon ■■ Propan
■■ Hareketli ■■ Yakıt
■■ Sanayi ■■ Adaptörler
■■ Isıtma ■■ Doğal gaz
■■ Klima

Referans Bölüm Hayır:
T3- 151F -51 -10361 ila 10360

Bize Ulaşın

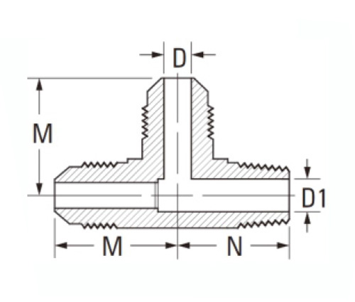
Spesifikasyonlar

PARÇA#

Flare O.D × İplik

D

M

N

51-3 A

3/16 × 1/8

.126

.75

.75

51-4 A

1/4 × 1/8

.189

.78

.75

51-4B

1/4 × 1/4

.189

.88

.88

51-5 A

5/16 × 1/8

.219

.88

.80

51-5b

5/16 × 1/4

.219

1.00

.94

51-6B

3/8 × 1/4

.282

1.00

.94

51-6C

3/8 × 3/8

.282

1.00

1.00

51-6D

3/8 × 1/2

.282

1.12

1.22

51-8C

1/2 × 3/8

.408

1.16

1.09

51-8d

1/2 × 1/2

.408

1.22

1.22

51-10D

5/8 × 1/2

.500

1.41

1.31

51-12d

3/4 × 1/2

.625

1.63

1.59

51-12E

3/4 × 3/4

.625

1.63

1.44

*Ref.sae No.010424

SAE 45 ° parlama pirinç dövme erkek koşu tişört. Bu kısım flanşlar ve somun dahil tüm pirinçten üretilmektedir. Bu bağlantı parçaları, soğutma ve mobil yakıt hatları gibi titreşimin bulunduğu uygulamalarda kullanılır. Run tee, titreşime direnen uzun bir somun ile SAE J512 ve J513 fonksiyonel gereksinimlerine sahiptir. .

Bizimle iletişime geçin

Hakkında Cenaze

LEGINES Industrial Machinery Inc.

Profesyonel bir Çin pirinç armatürleri üreticileri ve takma tedarikçileri tedarikçileri olarak itin. Tam CNC işlemeyi benimser ve 3600 metrekarelik atölye alanına sahiptir. 45 otomatik takım tezgahı, 35 yarı otomatik CNC takım tezgahı ve Çin'de Amerikan standart pirinç parçalarının üretimi için önemli tedarikçiler haline gelen distribütörler ...
  • onur
  • onur

TALİMATLAR & HABERLER