legines.com
3152# pirinç bağlantı parçaları özlü hex fiş boru bağlantı parçaları

3152# pirinç bağlantı parçaları özlü hex fiş boru bağlantı parçaları

Ürün Özellikleri: Piyasalar:
■■ Tüm pirinç inşaat ■■ Sanayi
■■ İşlevsel gereksinimleri karşılıyor ■■ Yapı
SAE J530 ve SAE J531 ■■ Ağır hizmet tipi kamyon
■■ Dryseal standartlarına göre yapılan iş parçacıkları ■■ Hareketli
■■ Hem Ambals hem de Ekstrüzyonlar ■■ Fabrika/Süreç Otomasyonu

Uygulamalar: Uyumlu boru:
■■ Hava hatları ■■ Bakır
■■ Su hattı ■■ Pirinç
■■ Soğutma hatları ■■ Demir boru

Özellikler:
1000 psi'ye kadar basınç aralığı
Sıcaklık aralığı -65˚ ila 250˚F

Tipik Uygulama:
Gres, yakıtlar, LP ve doğal gaz, referv.

Uygunluk:
ASA, ASME ve SAE spesifikasyonlarını ve standartlarını karşılar.

Referans Bölüm Hayır:
218p -3152 -121a -103 -121b -pph -218p

Bize Ulaşın

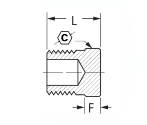
Spesifikasyonlar

PARÇA#

İplik boyutu

C

F

L

3152-A

1/8

7/16

.19

.55

3152-B

1/4

9/16

.18

.62

3152-C

3/8

11/16

.22

.72

3152-D

1/2

7/8

.39

.87

3152-E

3/4

1-1/16

.56

.94

3152# pirinç bağlantı parçaları özlü hex fiş boru bağlantı parçaları - Bu ürün pirinç yapı, endüstriyel uygulamalar ve hem dövmeler hem de ekstrüzyonlara sahiptir. Bu özlü onaltılık fişler, dryeal spesifikasyonlara SAE J530/J531 iplik standartları ile yapılmıştır. 1/8 "NPT sarmal tüp ve pirinç boru ile uyumludurlar. Ayrıca diğer malzemeler, sıcaklık aralıkları ve basınç aralıkları ile uyumludurlar. Onaltılık boru ile kolayca takılan bir onaltılık fiştir, bu nedenle altıgen boru üzerine kolayca monte edilebilir. Endüstriyel üretim otomasyonu ve mobil ekipman gibi, 250'ye kadar olan geniş bir kullanım aralığına sahiptir. 3 Hungry-Midsize Paslanmaz Çelik Gıda Hazırlama (Renk Seçimi) İnç (0-002 inç) için. .

Bizimle iletişime geçin

Hakkında Cenaze

LEGINES Industrial Machinery Inc.

Profesyonel bir Çin pirinç armatürleri üreticileri ve takma tedarikçileri tedarikçileri olarak itin. Tam CNC işlemeyi benimser ve 3600 metrekarelik atölye alanına sahiptir. 45 otomatik takım tezgahı, 35 yarı otomatik CNC takım tezgahı ve Çin'de Amerikan standart pirinç parçalarının üretimi için önemli tedarikçiler haline gelen distribütörler ...
  • onur
  • onur

TALİMATLAR & HABERLER