legines.com
3200# Extender adaptör bağlantı parçaları

3200# Extender adaptör bağlantı parçaları

Ürün Özellikleri: Piyasalar:
■■ Tüm pirinç inşaat ■■ Sanayi
■■ İşlevsel gereksinimleri karşılıyor ■■ Yapı
SAE J530 ve SAE J531 ■■ Ağır hizmet tipi kamyon
■■ Dryseal standartlarına göre yapılan iş parçacıkları ■■ Hareketli
■■ Hem Ambals hem de Ekstrüzyonlar ■■ Fabrika/Süreç Otomasyonu

Uygulamalar: Uyumlu boru:
■■ Hava hatları ■■ Bakır
■■ Su hattı ■■ Pirinç
■■ Soğutma hatları ■■ Demir boru

Özellikler:
1000 psi'ye kadar basınç aralığı
Sıcaklık aralığı -65˚ ila 250˚F

Tipik Uygulama:
Gres, yakıtlar, LP ve doğal gaz, referv.

Uygunluk:
ASA, ASME ve SAE spesifikasyonlarını ve standartlarını karşılar.

Referans Bölüm Hayır:
375 -222p -3200 -R1 -120AH -120B

Bize Ulaşın

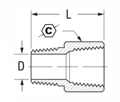
Spesifikasyonlar

PARÇA#

İplik boyutu

C

F

L

3200-AA

F1/8 × M1/8

1/2

.219

.88

3200L-AA

F1/8 × M1/8

9/16

.219

.83

3200-ba

F1/4 × M1/8

3/4

.219

1.06

3200L-BA

F1/4 × M1/8

11/16

.219

.94

3200ll-ba

F1/4 × M1/8

5/8

.219

.94

3200-BB

F1/4 × M1/4

3/4

.312

1.25

3200L-BB

F1/4 × M1/4

11/16

.312

1.00

3200LL-BB

F1/4 × M1/4

5/8

.312

1.00

3200-CA

F3/8 × M1/8

7/8

.219

1.00

3200-CB

F3/8 × M1/4

7/8

.312

1.25

3200L-CB

F3/8 × M1/4

13/16

.312

1.12

3200 CC

F3/8 × M3/8

7/8

.438

1.24

3200L-CC

F3/8 × M3/8

13/16

.438

1.12

3200-DB

F1/2 × M1/4

1-1/16

.312

1.46

3200-DC

F1/2 × M3/8

1-1/16

.438

1.47

3200L-DC

F1/2 × M3/8

15/16

.438

1.19

3200-DD

F1/2 × M1/2

1-1/16

.562

1.66

3200L-DD

F1/2 × M1/2

15/16

.562

1.31

3200-EC

F3/4 × M3/8

1-1/4

.438

1.59

3200 ed

F3/4 × M1/2

1-1/4

.563

1.69

3200-EE

F3/4 × M3/4

1-1/4

.750

1.69

*L: ışık

*Ref.Sae No.130139

Adaptör bağlantı parçaları hem ambalajlardan hem de ekstrüzyonlardan yapılmıştır ve hava hatları, su hatları vb. Dahil çok çeşitli tüplerle uyumludur. SAE J530 ve SAE J531 iplikleri ağır hizmet kamyon pazarlarının fonksiyonel gereksinimlerini karşılamaktadır. Hem bakır hem de pirinç boru ile uyumlu olan bu ürün, 1000 psi'ye kadar bir basınç aralığını işleyebilir. Tüm bağlantı parçaları ABD'de yapılır. Dayanıklı, tüm pirinç yapı bu konektörleri endüstriyel, kamyon ve mobil uygulamalar için ideal hale getirir. Bu bağlantı parçaları herhangi bir 2 inç boru boyutunu bağlayabilir ve 500-1000 psi arasında bir basınç aralığına sahip olabilir ve sıcaklıklar -65˚ ila 250˚ Fahrenheit arasında değişir. Ayrıca 1/8 ”ila 6” arasındaki boyutlarda da mevcuttur. 3200# Extender adaptör bağlantısı, 1/2 "ila 2" arasındaki boru boyutlarına sahip uygulamalar için tasarlanmıştır. Korozyona karşı koruma sağlayan bronzdan oluşan daha yüksüz bir gövdeye sahiptir, böylece bağlantı çeşitli su basıncı seviyelerinde kullanılabilir. Dişi ucu dişli ve üç set vidası var.

Bizimle iletişime geçin

Hakkında Cenaze

LEGINES Industrial Machinery Inc.

Profesyonel bir Çin pirinç armatürleri üreticileri ve takma tedarikçileri tedarikçileri olarak itin. Tam CNC işlemeyi benimser ve 3600 metrekarelik atölye alanına sahiptir. 45 otomatik takım tezgahı, 35 yarı otomatik CNC takım tezgahı ve Çin'de Amerikan standart pirinç parçalarının üretimi için önemli tedarikçiler haline gelen distribütörler ...
  • onur
  • onur

TALİMATLAR & HABERLER