legines.com
3400# pirinç boru bağlantı parçaları 90 derece sokak dirseği

3400# pirinç boru bağlantı parçaları 90 derece sokak dirseği

Ürün Özellikleri: Piyasalar:
■■ Tüm pirinç inşaat ■■ Sanayi
■■ İşlevsel gereksinimleri karşılıyor ■■ Yapı
SAE J530 ve SAE J531 ■■ Ağır hizmet tipi kamyon
■■ Dryseal standartlarına göre yapılan iş parçacıkları ■■ Hareketli
■■ Hem Ambals hem de Ekstrüzyonlar ■■ Fabrika/Süreç Otomasyonu

Uygulamalar: Uyumlu boru:
■■ Hava hatları ■■ Bakır
■■ Su hattı ■■ Pirinç
■■ Soğutma hatları ■■ Demir boru

Özellikler:
1000 psi'ye kadar basınç aralığı
Sıcaklık aralığı -65˚ ila 250˚F

Tipik Uygulama:
Gres, yakıtlar, LP ve doğal gaz, referv.

Uygunluk:
ASA, ASME ve SAE spesifikasyonlarını ve standartlarını karşılar.

Referans Bölüm Hayır:
2202p -3400 -304 -115 -202 -116a -28156 ila 2816

Bize Ulaşın

Spesifikasyonlar

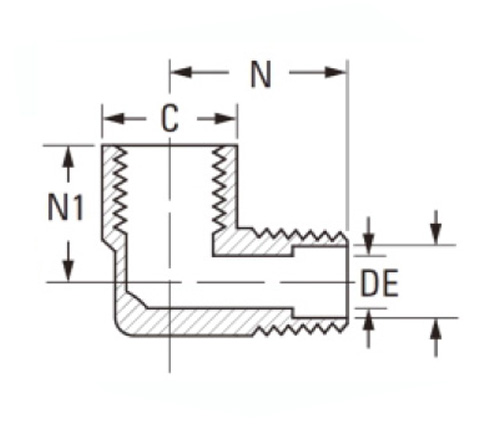
PARÇA# İplik boyutu C D N N1
3400-AA 1/8 × 1/8 9/16 .219 .66 .47
3400-BB 1/4 × 1/4 11/16 .315 .91 .72
3400 CC 3/8 × 3/8 13/16 .438 .97 .78
3400-DD 1/2 × 1/2 1 " .562 1.25 1.03
3400-EE 3/4 × 3/4 1-1/4 .750 1.38 1.12

Ref.Sae No.130239

3400# pirinç boru bağlantı parçaları 90 derece sokak dirseği tüm pirinç yapıdan yapılır ve hem dövmeler hem de ekstrüzyonlarla uyumludur; SAE J530 ve SAE J531'in fonksiyonel gereksinimlerini karşılayan endüstriyel sınıf armatürleri; Pazar: İnşaat, ağır hizmet kamyonu ve mobil. Her iki standart da, CPVC'nin uyumsuz olduğu otomotiv, endüstriyel ve ticari uygulamalarda kullanılmak üzere Termoplastik Kauçuk (TPR) kullanılmış mobil uygulamalar üzerinde çalışmak için takip edilmektedir. Bu kaynak uç 90 derece sokak dirseği, özellikle aşırı basınç altında çalışırken hidrolik sistemlerde kullanım için uygundur. Çok çeşitli boyutlarda mevcuttur ve olağanüstü korozyon direncine sahiptir. Bu bağlantı, bakır borudan oluşan hava hatlarını bağlamak için kullanılır. 90 derece açısına sahiptir ve pirinçten yapılmıştır, böylece sert hava koşullarına dayanabilir.

Bizimle iletişime geçin

Hakkında Cenaze

LEGINES Industrial Machinery Inc.

Profesyonel bir Çin pirinç armatürleri üreticileri ve takma tedarikçileri tedarikçileri olarak itin. Tam CNC işlemeyi benimser ve 3600 metrekarelik atölye alanına sahiptir. 45 otomatik takım tezgahı, 35 yarı otomatik CNC takım tezgahı ve Çin'de Amerikan standart pirinç parçalarının üretimi için önemli tedarikçiler haline gelen distribütörler ...
  • onur
  • onur

TALİMATLAR & HABERLER