legines.com
3500# pirinç bağlantı parçaları 90 derece dirsek borusu bağlantı parçaları

3500# pirinç bağlantı parçaları 90 derece dirsek borusu bağlantı parçaları

Ürün Özellikleri: Piyasalar:
■■ Tüm pirinç inşaat ■■ Sanayi
■■ İşlevsel gereksinimleri karşılıyor ■■ Yapı
SAE J530 ve SAE J531 ■■ Ağır hizmet tipi kamyon
■■ Dryseal standartlarına göre yapılan iş parçacıkları ■■ Hareketli
■■ Hem Ambals hem de Ekstrüzyonlar ■■ Fabrika/Süreç Otomasyonu

Uygulamalar: Uyumlu boru:
■■ Hava hatları ■■ Bakır
■■ Su hattı ■■ Pirinç
■■ Soğutma hatları ■■ Demir boru

Özellikler:
1000 psi'ye kadar basınç aralığı
Sıcaklık aralığı -65˚ ila 250˚F

Tipik Uygulama:
Gres, yakıtlar, LP ve doğal gaz, referv.

Uygunluk:
ASA, ASME ve SAE spesifikasyonlarını ve standartlarını karşılar.

Referans Bölüm Hayır:
2200p -3500 -302 -200 -28001 ila 28005 -100

Bize Ulaşın

Spesifikasyonlar

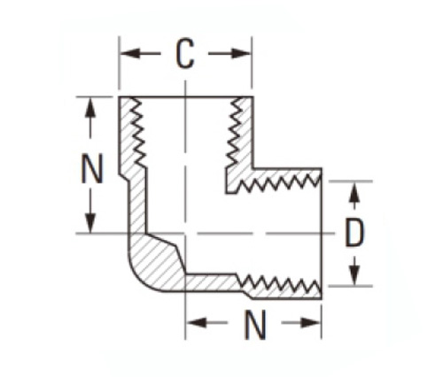
PARÇA# İplik boyutu C D N N
3500-A 1/8 × 1/8 9/16 .219 .66 .47
3500-B 1/4 × 1/4 11/16 .315 .91 .72
3500-C 3/8 × 3/8 13/16 .438 .97 .78
3500-D 1/2 × 1/2 1 " .562 1.25 1.03
3500-E 3/4 × 3/4 1 "-1/4 .750 1.38 1.12

Ref.Sae No.130238

Pirinçten yapılmış, 90 derecelik dirseklerimiz endüstriyel ve inşaat uygulamalarının ihtiyaçlarını karşılamak için üretilmiştir. Dövme pirinç, ekstrüde edilmiş ürünlerden daha dayanıklı, daha sert ve bükülme olasılığı daha düşüktür. Bronz bağlantı parçalarımız da şok ve titreşime karşı daha iyi dirençlere sahiptir. Hava hatları, su hatları, soğutma hatları ve daha fazlası dahil olmak üzere tüm endüstri uygulamalarındaki projeler için hem sahte hem de ekstrüde boru bağlantı parçaları sunuyoruz. Pirinç bağlantı parçaları en yüksek kalite standartlarıyla üretilmiştir. Dövme işleminden iplikleme ve sonlandırmaya kadar, her aşama hassas araçlarla kontrol edilir. Bu bağlantı parçaları SAE J530 ve SAE J531'in fonksiyonel gereksinimlerini karşılarken, SAE Standart SAE J514 ve ASME B16.21 ile uyumludur. 90 derece dirseklerimiz yüksek kaliteli pirinçten üretilir ve güçlü ve dayanıklı bir yapı sağlar. Büyük delikli boru boyutlarına uyum sağlamak için iki farklı Barb konfigürasyonu ile hem fabrika hem de kamyon montaj seçenekleri sunuyoruz. İster bir yedek arıyor olun, ister sisteminizi yükseltmek isteyin, Crouse-Hinds yardımcı olabilir.

Bizimle iletişime geçin

Hakkında Cenaze

LEGINES Industrial Machinery Inc.

Profesyonel bir Çin pirinç armatürleri üreticileri ve takma tedarikçileri tedarikçileri olarak itin. Tam CNC işlemeyi benimser ve 3600 metrekarelik atölye alanına sahiptir. 45 otomatik takım tezgahı, 35 yarı otomatik CNC takım tezgahı ve Çin'de Amerikan standart pirinç parçalarının üretimi için önemli tedarikçiler haline gelen distribütörler ...
  • onur
  • onur

TALİMATLAR & HABERLER