legines.com
3700# pirinç bağlantı parçaları Union tee pirinç boru bağlantı parçaları

3700# pirinç bağlantı parçaları Union tee pirinç boru bağlantı parçaları

Ürün Özellikleri: Piyasalar:
■■ Tüm pirinç inşaat ■■ Sanayi
■■ İşlevsel gereksinimleri karşılıyor ■■ Yapı
SAE J530 ve SAE J531 ■■ Ağır hizmet tipi kamyon
■■ Dryseal standartlarına göre yapılan iş parçacıkları ■■ Hareketli
■■ Hem Ambals hem de Ekstrüzyonlar ■■ Fabrika/Süreç Otomasyonu

Uygulamalar: Uyumlu boru:
■■ Hava hatları ■■ Bakır
■■ Su hattı ■■ Pirinç
■■ Soğutma hatları ■■ Demir boru

Özellikler:
1000 psi'ye kadar basınç aralığı
Sıcaklık aralığı -65˚ ila 250˚F

Tipik Uygulama:
Gres, yakıtlar, LP ve doğal gaz, referv.

Uygunluk:
ASA, ASME ve SAE spesifikasyonlarını ve standartlarını karşılar.

Referans Bölüm Hayır:
2203p -3700 -322 -203 -311 -101a -28024 ~ 28028 -101a

Bize Ulaşın

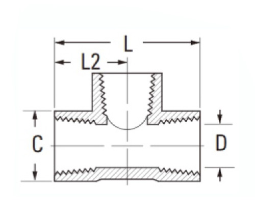
Spesifikasyonlar

PARÇA#

İplik boyutu

C

D

L2

L

3700-A

1/8

9/16

.339

.55

1.10

3700-B

1/4

11/16

.438

.78

1.56

3700-C

3/8

13/16

.516

.84

1.68

3700-D

1/2

1 "

.703

1.09

2.18

3700-E

3/4

1 "-1/4

.906

1.38

2.31

*Ref.sae.no.130438

Bu sendika tee takma pirinç% 100 inşa edilir ve SAE J530, SAE J531, SAE J519 ve SAE J529'un fonksiyonel gereksinimlerini karşılamaktadır. Mobil ekipman ve inşaat uygulamalarında kullanım içindir. Sendikalar temizlik veya onarım sırasında kolay montaj ve sökülmeye izin verir. Dişli bağlantılar sızıntıyı önlemek için dryseal standartlarına göre yapılır. Boru sisteminizin tasarımı ve yapımı geldiğinde, 3700# pirinç fittings Union tee cevaptır. Kurulum söz konusu olduğunda seçeneklerinizi genişletirken projenize profesyonel, dayanıklı bir görünüm getirecektir. Bu tişört 3/4 "tüpe kadar sığacaktır. Gövde ve kapaklar pirinçten yapılır, bu takviye korozyon ve paslanmaya karşı dirençli hale getirir. Bu ürün 1000 psi basınç derecesine sahiptir ve .

Bizimle iletişime geçin

Hakkında Cenaze

LEGINES Industrial Machinery Inc.

Profesyonel bir Çin pirinç armatürleri üreticileri ve takma tedarikçileri tedarikçileri olarak itin. Tam CNC işlemeyi benimser ve 3600 metrekarelik atölye alanına sahiptir. 45 otomatik takım tezgahı, 35 yarı otomatik CNC takım tezgahı ve Çin'de Amerikan standart pirinç parçalarının üretimi için önemli tedarikçiler haline gelen distribütörler ...
  • onur
  • onur

TALİMATLAR & HABERLER