legines.com
3750# pirinç bağlantı parçaları erkek run tee pirinç boru bağlantı parçaları

3750# pirinç bağlantı parçaları erkek run tee pirinç boru bağlantı parçaları

Ürün Özellikleri: Piyasalar:
■■ Tüm pirinç inşaat ■■ Sanayi
■■ İşlevsel gereksinimleri karşılıyor ■■ Yapı
SAE J530 ve SAE J531 ■■ Ağır hizmet tipi kamyon
■■ Dryseal standartlarına göre yapılan iş parçacıkları ■■ Hareketli
■■ Hem Ambals hem de Ekstrüzyonlar ■■ Fabrika/Süreç Otomasyonu

Uygulamalar: Uyumlu boru:
■■ Hava hatları ■■ Bakır
■■ Su hattı ■■ Pirinç
■■ Soğutma hatları ■■ Demir boru

Özellikler:
1000 psi'ye kadar basınç aralığı
Sıcaklık aralığı -65˚ ila 250˚F

Tipik Uygulama:
Gres, yakıtlar, LP ve doğal gaz, referv.

Uygunluk:
ASA, ASME ve SAE spesifikasyonlarını ve standartlarını karşılar.

Referans Bölüm Hayır:
2225p -225 -3750 -326 -225 -127a -28245 ~ 28249

Bize Ulaşın

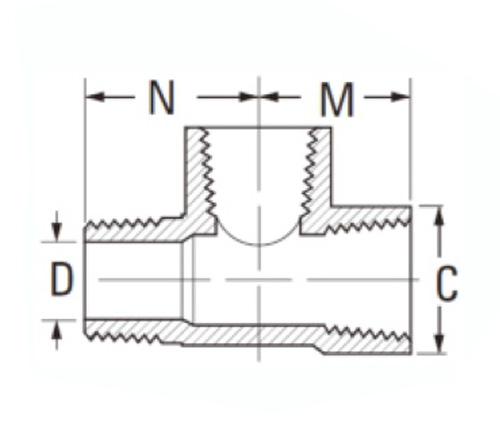
Spesifikasyonlar

PARÇA#

İplik boyutu

C

D

M

N

3750-A

1/8

9/16

.219

.55

.66

3750-B

1/4

11/16

.312

.78

.90

3750-C

3/8

13/16

.438

.84

.97

3750-D

1/2

1 "

.562

1.09

1.25

3750-E

3/4

1 "-1/4

.750

1.38

1.38

*Ref.sae.no.130424

#3750 Erkek Run tee bağlantı parçaları pirinçten üretilir ve endüstriyel, fabrika/süreç otomasyonu ve mobil uygulamaların ihtiyaçlarını karşılar. Basınçlı hava hatları için bir bağlantı sağlarlar. Uyumlu boru bakır, pirinç ve demir boruda mevcuttur. Piyasalar inşaat, endüstriyel ve ağır kamyon pazarlarını içerir. Uyumlu malzemeler hava hatları, su hatları ve soğutma hatları içerir. Malzemeler sızıntılara ve kuvvete dayanacak kadar güçlüdür, bu da onları herhangi bir hava durumu için ideal hale getirir.  Her bağlantı, bakır boru, pirinç ve parçaya güç, dayanıklılık ve uzun ömür getiren diğer kaliteli malzemelerle yapılır. .

Bizimle iletişime geçin

Hakkında Cenaze

LEGINES Industrial Machinery Inc.

Profesyonel bir Çin pirinç armatürleri üreticileri ve takma tedarikçileri tedarikçileri olarak itin. Tam CNC işlemeyi benimser ve 3600 metrekarelik atölye alanına sahiptir. 45 otomatik takım tezgahı, 35 yarı otomatik CNC takım tezgahı ve Çin'de Amerikan standart pirinç parçalarının üretimi için önemli tedarikçiler haline gelen distribütörler ...
  • onur
  • onur

TALİMATLAR & HABERLER