legines.com
24m presto manifoldu

24m presto manifoldu

Ürün Özellikleri:
■■ Pirinç koltuk
■■ Buna n O-Ring
■■ Paslanmaz çelik tüp desteği
■■ D.O.T. FMVSS571.106
■■ SAE J2494-3
■■ Kompozit Gövde - Güçlü, Hafif, Kompakt ve Darbe Dayanıklı
■■ Eklenti yapılandırmaları

Piyasalar:
■■ Ağır hizmet tipi kamyon
■■ Römork
■■ Hareketli

Uygulamalar:
■■ Hava frenleri
■■ Hava tankları
■■ Hava yolculuğu
■■ Kaydırıcılar
■■ Lastik enflasyonu
■■ Birincil ve ikincil çizgiler
■■ Kabin kontrolleri

Bize Ulaşın

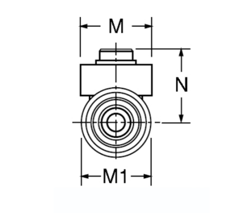
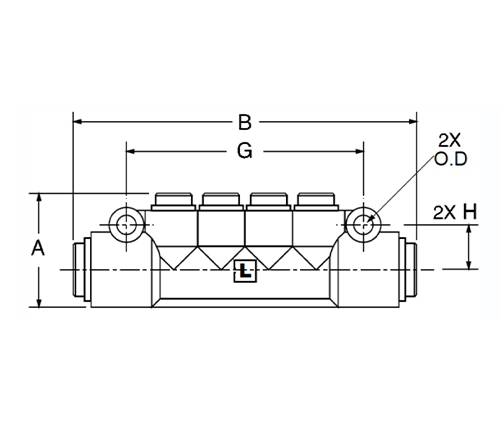
Spesifikasyonlar

PARÇA

HAYIR.

Tüp O.D

lnlet

Tüp O.D

Çıkış

A B D G H M M1 N
24m-4-4 1/4 1/4 1.33 3.98 .21 2.75 .53 .90 .88 .89
24m-6-4 3/8 1/4 1.33 4.00 .21 2.75 .53 .90 .88 .89
24m-6-6 3/8 3/8 1.65 6.49 .22 4.55 .60 1.02 1.02 1.33
24m-8-8 1/2 1/2 1.65 6.49 .22 4.55 .60 1.02 1.02 1.33
24m-8-6-4-4-6-8 1/2 3/8 ve 1/4 1.65 6.49 .22 4.55 .60 1.02 1.02 1.17

24m Presto Manifold kolay, hızlı ve güvenilir hizmet sağlamak için üretilmiştir. Güçlü, hafif, darbeye dayanıklı ve kompakt tasarıma sahip kompozit gövde, toplu olarak azalırken mukavemet sağlar. 24m Presto manifoldu, yüksek basınç uygulamaları için D.O.T FMVSS571.106, SAE J2494-3 gereksinimlerini karşılamak için tasarlanmıştır. Fiş ve oynatma özellikleri, herhangi bir uygulamada maksimum çok yönlülüğe izin verir.

Bizimle iletişime geçin

Hakkında Cenaze

LEGINES Industrial Machinery Inc.

Profesyonel bir Çin pirinç armatürleri üreticileri ve takma tedarikçileri tedarikçileri olarak itin. Tam CNC işlemeyi benimser ve 3600 metrekarelik atölye alanına sahiptir. 45 otomatik takım tezgahı, 35 yarı otomatik CNC takım tezgahı ve Çin'de Amerikan standart pirinç parçalarının üretimi için önemli tedarikçiler haline gelen distribütörler ...
  • onur
  • onur

TALİMATLAR & HABERLER