legines.com
1570 D.O.T 90 ° dirsek adaptörü

1570 D.O.T 90 ° dirsek adaptörü

Ürün Özellikleri:
■■ Pirinç koltuk
■■ Buna n O-Ring
■■ Paslanmaz çelik tüp desteği
■■ D.O.T. FMVSS571.106
■■ SAE J2494 ve SAE J2494-3

Piyasalar:
■■ Ağır hizmet tipi kamyon
■■ Römork
■■ Hareketli

Uygulamalar:
■■ Hava frenleri
■■ Hava tankları
■■ Hava yolculuğu
■■ Kaydırıcılar
■■ Lastik enflasyonu
■■ Birincil ve ikincil çizgiler

Uyumlu boru:
■■ SAE J844 Tip A & B Naylon Tüp

Referans Bölüm Hayır:
AQ70DOT -170PMT -1870 -DQ70DOT -1570DOT

Bize Ulaşın

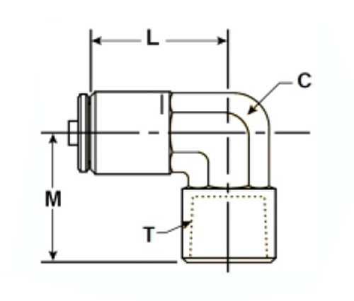
Spesifikasyonlar

PARÇA#

Tüp O.D × Femlae NPTF

C

M

L

1570-Dot-4a

1/4 × 1/8

3/8

.82

.92

1570-Dot-4b

1/4 × 1/4

1/2

.94

.102

1570-Dot-4C

1/4 × 3/8

5/8

.98

1.11

1570-Dot-6b

3/8 × 1/4

1/2

.94

.96

1570-Dot-6c

3/8 × 3/8

5/8

.91

.98

1570-Dot-8d

1/2 × 1/2

5/8

1.21

1.14

SAE J1570 nokta 90 ° dirsek adaptörü, pirinç bir koltuk ve sızıntı içermeyen bağlantı ve kolay montaj için Buna N tip O-ringine sahiptir, paslanmaz çelik tüp desteği dayanıklılık sağlar. D.O.T. Gereksinimler, FMVSS571.106, SAE J2494 ve SAE J2494-3 SAE J844 ile Kullanım İçin Özellikler J844 Ağır hizmet kamyonu, römork ve mobil uygulamalarda Tip A & B Naylon Tüp. Bu adaptörün düşük profilli tasarımı, DOT spesifikasyonunu karşılayacak kadar güçlü olmakla birlikte, sıkı alanlara sığmasını sağlar. Bu pirinç dirseği, hava hatlarınızın ucuna takılacak şekilde tasarlanmış ve köşeleri sıkı yerlerde çevirmelerini sağlayacak şekilde tasarlanmıştır. Korozyona dayanıklı malzemelerden yapılmıştır ve sağlam tutan paslanmaz çelik destek tüpü içerir.

Bizimle iletişime geçin

Hakkında Cenaze

LEGINES Industrial Machinery Inc.

Profesyonel bir Çin pirinç armatürleri üreticileri ve takma tedarikçileri tedarikçileri olarak itin. Tam CNC işlemeyi benimser ve 3600 metrekarelik atölye alanına sahiptir. 45 otomatik takım tezgahı, 35 yarı otomatik CNC takım tezgahı ve Çin'de Amerikan standart pirinç parçalarının üretimi için önemli tedarikçiler haline gelen distribütörler ...
  • onur
  • onur

TALİMATLAR & HABERLER