legines.com
Çelik Azaltma Meme Kitleri 2510

Çelik Azaltma Meme Kitleri 2510

Katmak:
Onaltılık meme ucunu azaltmak: 1 PC;
Azaltma Adaptör: 1 PC;

Boru bağlantı parçaları, birçok farklı endüstride boruların yönünü bağlamak, sonlandırmak, akışı kontrol etmek ve boruların yönünü değiştirmek için kullanılan bileşenlerdir. Boru bağlantı parçaları satın alırken, malzeme tipini, şekli, boyutu ve gerekli dayanıklılığı etkileyeceğinden uygulamayı düşünün. Bağlantı parçaları, birçok şekil, stil, boyut ve programda (boru duvarı kalınlığı) dişli veya işlenmemiş olarak kullanılabilir.

Tipik Uygulama:
Gres, soğutma, enstrümantasyon ve hidrolik sistemler.

Avantajları:
Dryseal Boru İplikleri (BSPT (R)/BSP (G). Boyut ve yapılandırmaların büyük aralığı

Bize Ulaşın

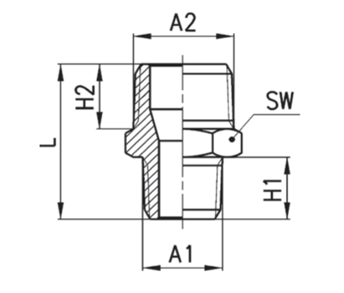
Spesifikasyonlar

PARÇA#

Konu Boyutu A1 × A2

S.W

L

H

2510-Ab

R1/8 × R1/4

14

23.5

7.5

2510-AC

R1/8 × 3/8 17 24.0 7.5

2510-BC

R1/4 × R3/8

17

27.5

11.0

2510-BD

R1/4 × R1/2

22

30.5

11.0

2510-CD

R3/8 × R1.2

22

31.0

11.5

2510-DE

R1/2 × R3/4

27

37.5

14.0

Bizimle iletişime geçin

Hakkında Cenaze

LEGINES Industrial Machinery Inc.

Profesyonel bir Çin pirinç armatürleri üreticileri ve takma tedarikçileri tedarikçileri olarak itin. Tam CNC işlemeyi benimser ve 3600 metrekarelik atölye alanına sahiptir. 45 otomatik takım tezgahı, 35 yarı otomatik CNC takım tezgahı ve Çin'de Amerikan standart pirinç parçalarının üretimi için önemli tedarikçiler haline gelen distribütörler ...
  • onur
  • onur

TALİMATLAR & HABERLER