legines.com
Nikel kaplama indirgeme meme başı 2501

Nikel kaplama indirgeme meme başı 2501

İki dişli boru veya bağlantı parçalarını bağlamak ve boru uzunluğunu uzatmak için nikel kaplamalı meme
-dişi dişli borulara bağlanmak için Male NPT iplikleri
Bir anahtarla sıkma için hexagonal orta bölüm
-Korozyon direnci için parlak, yüksek sıcaklıklarda süneklik ve düşük manyetik geçirgenlik

Tipik Uygulama:
Gres, soğutma, enstrümantasyon ve hidrolik sistemler.

Avantajları:
Dryseal Boru İplikleri (BSPT (R)/BSP (G). Boyut ve yapılandırmaların büyük aralığı

Bize Ulaşın

Spesifikasyonlar

PARÇA#

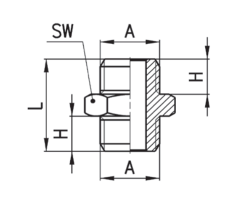
Konu Boyutu A

S.W

L

H

2501-M5

M5

8

11.5

4.0

2501-A

G1/8

13

16.5

6.0

2501-B

G1/4

17

21.0

8.0

2501-C

G3/8

19

23.0

9.0

2501-D

G1/2

24

25.5

10.0

Bizimle iletişime geçin

Hakkında Cenaze

LEGINES Industrial Machinery Inc.

Profesyonel bir Çin pirinç armatürleri üreticileri ve takma tedarikçileri tedarikçileri olarak itin. Tam CNC işlemeyi benimser ve 3600 metrekarelik atölye alanına sahiptir. 45 otomatik takım tezgahı, 35 yarı otomatik CNC takım tezgahı ve Çin'de Amerikan standart pirinç parçalarının üretimi için önemli tedarikçiler haline gelen distribütörler ...
  • onur
  • onur

TALİMATLAR & HABERLER