legines.com
64# Pirinç Birliği Tee Sıkıştırma Tespitleri

64# Pirinç Birliği Tee Sıkıştırma Tespitleri

Pirinç Birliği Tee Sıkıştırma Bağlantıları 64#

Uygulamalar: Piyasalar:
■■ Hava hatları ■■ Sanayi
■■ Yağlama çizgileri ■■ Ambalajlama
■■ Soğutma hatları ■■ Pnömatik
■■ Sanayi ■■ Baskı
■■ Makine
■■ Kompresörler
■■ Akışkan transferi

Ürün Özellikleri:
■■ SAE J-512'nin işlevsel gereksinimlerini karşılıyor
■■ Yanıcı sıvı için listelenmiş
■■ Pirinç veya asetal kılıf mevcut
■■ Tüp Hazırlık Yok
■■ Dövme ve ekstrüde şekiller

Referans Bölüm Hayır:
64 -164C -S64 -64A

Bize Ulaşın

Spesifikasyonlar

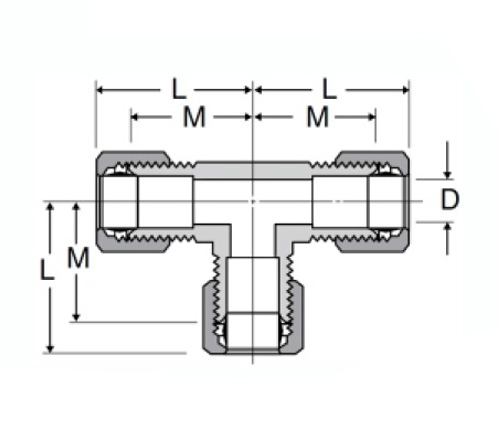
PARÇA#

Tüp boyutu O.D

M

M

D

64-2

1/8

/

.53

.94

64-3

3/16

/

.59

.125

64-4

1/4

/

.627

.188

64-5

5/16

/

.65

.250

64-6

3/8

/

.73

.312

64-8

1/2

/

.94

.406

64-10

5/8

/

1.06

.500

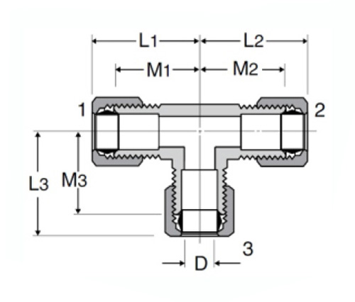
PARÇA#

Tüp boyutu

M1

M2

M3

64-4-4-6

1/4x1/4x3/8

.69

.69

.75

64-4-6-4

1/4x3/8x1/4

.69

.75

.69

64-6-6-4

3/8x3/8x1/4

.75

.75

.69

64-8-8-6

1/2x1/2x3/8

.94

.94

.81

64-10-10-8

5/8x5/8x1/2

1.06

1.06

1.06

*Ref.sae No.060401 BA

64 pirinç birliği tee basınç armatürlerimiz yanıcı sıvı için UL listelenmiştir ve SAE J-512'nin fonksiyonel gereksinimlerini karşılamaktadır. Dövme veya ekstrüde şekillerde mevcuttur, bunlar hem işlenmiş hem de soketli ipliklerle ve pirinç veya asetal manşonda mevcuttur. Pirinç veya asetal kollarla mevcut olan tüm bileşenler kolay kurulum için tasarlanmıştır, bu nedenle kurulumunuz sorunsuz gider. .

Bizimle iletişime geçin

Hakkında Cenaze

LEGINES Industrial Machinery Inc.

Profesyonel bir Çin pirinç armatürleri üreticileri ve takma tedarikçileri tedarikçileri olarak itin. Tam CNC işlemeyi benimser ve 3600 metrekarelik atölye alanına sahiptir. 45 otomatik takım tezgahı, 35 yarı otomatik CNC takım tezgahı ve Çin'de Amerikan standart pirinç parçalarının üretimi için önemli tedarikçiler haline gelen distribütörler ...
  • onur
  • onur

TALİMATLAR & HABERLER