legines.com
72# pirinç erkek koşu tee sıkıştırma bağlantı parçaları

72# pirinç erkek koşu tee sıkıştırma bağlantı parçaları

Pirinç erkek run tee sıkıştırma armatürleri 71

Uygulamalar: Piyasalar:
■■ Hava hatları ■■ Sanayi
■■ Yağlama çizgileri ■■ Ambalajlama
■■ Soğutma hatları ■■ Pnömatik
■■ Sanayi ■■ Baskı
■■ Makine
■■ Kompresörler
■■ Akışkan transferi

Ürün Özellikleri:
■■ SAE J-512'nin işlevsel gereksinimlerini karşılıyor
■■ Yanıcı sıvı için listelenmiş
■■ Pirinç veya asetal kılıf mevcut
■■ Tüp Hazırlık Yok
■■ Dövme ve ekstrüde şekiller

71 -171c -71a -S71

Bize Ulaşın

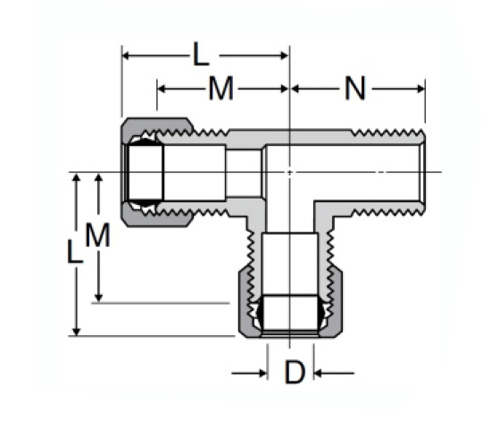
Spesifikasyonlar

PARÇA#

Tüp O.D × Erkek NPTF

M

N

D

71-3A

3/16 × 1/8

.63

.69

.125

71-4A

1/4 × 1/8

.63

.75

.188

71-4B

1/4 × 1/4

.69

.88

.188

71-5A

5/16 × 1/8

.72

.75

.250

71-5B

5/16 × 1/4

.75

.88

.250

71-6A

3/8 × 1/8

.75

.75

.312

71-6B

3/8 × 1/4

.79

.87

.312

71-6C

3/8 × 3/8

.88

1.00

.330

71-8C

1/2 × 3/8

.94

1.09

.406

71-8d

1/2 × 1/2

.97

1.19

.406

71-10D

5/8 × 1/2

1.06

1.31

.500

72# pirinç erkek run tee sıkıştırma bağlantı parçalarımız SAE J-512'nin fonksiyonel gereksinimlerini karşılar ve yanıcı sıvı için UL listelenmiştir. Bu bağlantı parçalarının tüp hazırlığı yoktur ve dövme ve ekstrüde şekillerdir. Pirinç, plastik ve metal manşon dahil olmak üzere çeşitli malzemelerde mevcuttur. Pirinç veya asetal manşon bulunur ve alt takımlar, şanzımanlar ve yakıt sistemleri gibi çeşitli uygulamalarda kullanılabilir. Tüp hazırlığı gerekmez.

Bizimle iletişime geçin

Hakkında Cenaze

LEGINES Industrial Machinery Inc.

Profesyonel bir Çin pirinç armatürleri üreticileri ve takma tedarikçileri tedarikçileri olarak itin. Tam CNC işlemeyi benimser ve 3600 metrekarelik atölye alanına sahiptir. 45 otomatik takım tezgahı, 35 yarı otomatik CNC takım tezgahı ve Çin'de Amerikan standart pirinç parçalarının üretimi için önemli tedarikçiler haline gelen distribütörler ...
  • onur
  • onur

TALİMATLAR & HABERLER