legines.com
3600# pirinç bağlantı parçaları şube tişört pirinç boru bağlantı parçaları

3600# pirinç bağlantı parçaları şube tişört pirinç boru bağlantı parçaları

Ürün Özellikleri: Piyasalar:
■■ Tüm pirinç inşaat ■■ Sanayi
■■ İşlevsel gereksinimleri karşılıyor ■■ Yapı
SAE J530 ve SAE J531 ■■ Ağır hizmet tipi kamyon
■■ Dryseal standartlarına göre yapılan iş parçacıkları ■■ Hareketli
■■ Hem Ambals hem de Ekstrüzyonlar ■■ Fabrika/Süreç Otomasyonu

Uygulamalar: Uyumlu boru:
■■ Hava hatları ■■ Bakır
■■ Su hattı ■■ Pirinç
■■ Soğutma hatları ■■ Demir boru

Özellikler:
1000 psi'ye kadar basınç aralığı
Sıcaklık aralığı -65˚ ila 250˚F

Tipik Uygulama:
Gres, yakıtlar, LP ve doğal gaz, referv.

Uygunluk:
ASA, ASME ve SAE spesifikasyonlarını ve standartlarını karşılar.

Referans Bölüm Hayır:
2224p -3600 -T9 -X106 -226 -329 -128 -28281 ~ 28285

Bize Ulaşın

Spesifikasyonlar

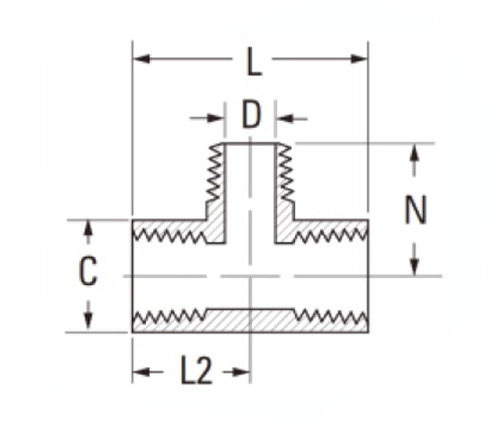
PARÇA# İplik boyutu C D L2 N
3600-A F1/8 × M1/8 9/16 .219 1.10 .66
3600-B F1/4 × M1/4 11/16 .315 1.56 .91
3600-C F3/8 × M3/8 13/16 .438 1.68 .97
3600-D F1/2 × M1/2 1 " .562 2.18 1.25
3600-E F3/4 × M3/4 1 "-1/4 .750 2.31 1.38

*Ref.Sae No.130425

Ağır hizmet tipi dalı tişörtleri, SAE J530 ve SAE J531 standartlarına üretilen ağır gösterge pirinçten yapılmıştır. Müşterilerimiz için çok çeşitli seçenekler sunmamız için çok yönlülük veren hem dövmeler hem de ekstrüzyonlarda mevcuttur. Hem basınç hem de sıcaklık derecelendirmeleri ile inşa edilen bu dal tişörtleri, hemen hemen her endüstriyel süreçte kullanım için uygundur. Her iki boru markası da bu bağlantı ile başarılı bir şekilde kullanılabilir. Bakır ve pirinç şube tee fittingleri satırımız size en geniş uygulamalarda üstün kalite ve güvenilir performans sağlar. Nitelikli mühendislerimiz, en iyi ürünü seçmenize veya özel ihtiyaçlarınızı karşılamak için bir sistem tasarlamanıza yardımcı olabilir. .

Bizimle iletişime geçin

Hakkında Cenaze

LEGINES Industrial Machinery Inc.

Profesyonel bir Çin pirinç armatürleri üreticileri ve takma tedarikçileri tedarikçileri olarak itin. Tam CNC işlemeyi benimser ve 3600 metrekarelik atölye alanına sahiptir. 45 otomatik takım tezgahı, 35 yarı otomatik CNC takım tezgahı ve Çin'de Amerikan standart pirinç parçalarının üretimi için önemli tedarikçiler haline gelen distribütörler ...
  • onur
  • onur

TALİMATLAR & HABERLER