legines.com
131 Çelik Ters Fren Hattı Fişi

131 Çelik Ters Fren Hattı Fişi

Ürün Özellikleri:
■■ Tüm pirinç inşaat
■■ Yanıcı sıvı ve gaz için listelenmiş
■■ SAE J512'nin işlevsel gereksinimlerini karşılıyor
■■ Ekonomi için Çelik Somun

Piyasalar: Uygulamalar:
■■ Klima ■■ Soğutucu
■■ Deniz ■■ Fren çizgileri
■■ Hareketli ■■ Yakıt hatları
■■ Motorlar

Uyumlu boru:
■■ Bakır
■■ Pirinç
■■ Alüminyum
■■ Kaynaklı Çelik Hidrolik Tüp

Bize Ulaşın

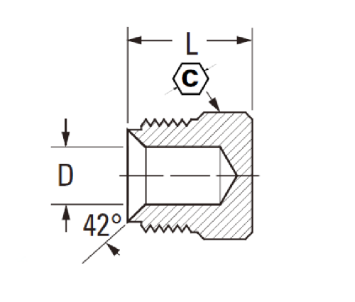
Spesifikasyonlar

PARÇA#

Tüp O.D

C

D

L

131-3

3/16 3/8 .188

.53

131-4

1/4 7/16 .188 .54

131-5

5/16 1/2 .250 .59

131-6

3/8 5/8 .312 .66

*Ref.Sae No.040109 BA

131 serisi pirinç ters fren hattı bağlantı parçalarımız özellikle gaz ve yakıt hatları için tasarlanmıştır. Ters tasarım, sıkı uygulamalarda sızdırmaz bir bağlantı sağlar.
131 çelik ters fren hattı tapası, esnek tüpün terminal ucunu kapatmak için tasarlanmış bir yangın veya benzin uyumlu, ters anahtar tarzı bir fiştir. Korozyon direnci için çinko kaplama çelikten ve bozulmaya karşı mukavemet sunan integral bir plastik ekten yapılır. Ayrıca pirinç bir yapı ile de mevcuttur.
Bu ürün, ters parlama bağlantılı pirinç ve çelik kaplı bir fiştir. 1/8 tüpü kabul etmek için yapılır. Boyut .53 "çapı .54" derinliğindedir, bu fiş stili sadece bakır, çelik ve alüminyum tüplerde kullanılabilir.
Ekonomi genellikle fren hattı uygulamalarındaki oyunun adıdır. Ve paradan tasarruf etmenin, temiz havayı hatlarınızdan uzak tutan, ancak harika görünen ve gelecek yıllar boyunca sürecek olan bu çizgi fişinden daha iyi bir yolu yoktur. Çelik somun ve pirinç namlu ile, bu ihtiyaçlarınızı karşılayacağından emin.

Bizimle iletişime geçin

Hakkında Cenaze

LEGINES Industrial Machinery Inc.

Profesyonel bir Çin pirinç armatürleri üreticileri ve takma tedarikçileri tedarikçileri olarak itin. Tam CNC işlemeyi benimser ve 3600 metrekarelik atölye alanına sahiptir. 45 otomatik takım tezgahı, 35 yarı otomatik CNC takım tezgahı ve Çin'de Amerikan standart pirinç parçalarının üretimi için önemli tedarikçiler haline gelen distribütörler ...
  • onur
  • onur

TALİMATLAR & HABERLER