legines.com
105 çelik tüp fındık parlaması takma

105 çelik tüp fındık parlaması takma

Ürün Özellikleri:
■■ Tüm pirinç inşaat
■■ Yanıcı sıvı ve gaz için listelenmiş
■■ SAE J512'nin işlevsel gereksinimlerini karşılıyor
■■ Ekonomi için Çelik Somun

Piyasalar: Uygulamalar:
■■ Klima ■■ Soğutucu
■■ Deniz ■■ Fren çizgileri
■■ Hareketli ■■ Yakıt hatları
■■ Motorlar

Uyumlu boru:
■■ Bakır
■■ Pirinç
■■ Alüminyum
■■ Kaynaklı çelik hidrolik boru

Referans Bölüm Hayır:
2015 -411FS -105 -41W

Bize Ulaşın

Spesifikasyonlar

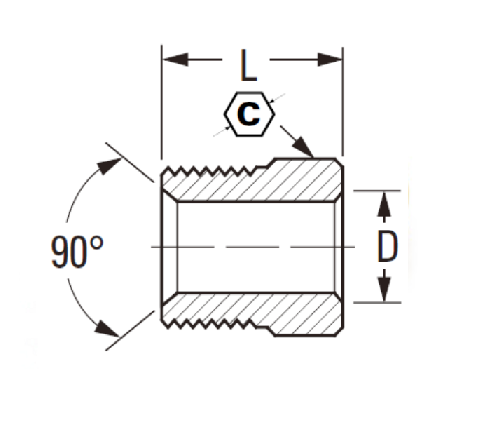
PARÇA#

Tüp O.D

C

D

L

105-3

3/16 5/16 .196

.56

105-4

1/4 3/8 .259 .56

105-5

5/16 7/16 .321 .62

105-6

3/8 5/8 .384 .66

105-8

1/2

3/4

.508

.74

105-10

5/8

7/8

.632

.80

105-12

3/4

1-1/16

.757

.88

105 serisi düşük maliyetli bir parlama uyumudur. Pirinçten yapılmıştır ve yanıcı sıvı ve gaz hatlarının özelliklerine sahiptir. 105 serisi, birçok boyutta bulunan ekonomi için çelik fındık içerir. Ayrıca bakır, pirinç, alüminyum ve kaynaklı çelik hidrolik boru gibi çok sayıda tüp malzemesi ile uyumluluğa sahiptir.
Bölüm No: 2015 - 411FS - 105 - 41W, endüstriyel ve ticari ortamın daha güvenli, daha verimli ve uygun fiyatlı olmasına yardımcı olmak için Miller Welder tarafından üretilmiştir. Parça No.: 2015 - 411FS - 105 - 41W, yanıcı sıvılar ve gazlar için UL derecelendirilmiştir. Bu ürün, kullanılmayan veya paslanmayacak yüksek dereceli bir pirinçten yapılmıştır.
105 çelik tüp somun parlaması takma, 1/2 "erkek NPT bağlantı ve 3/8" parlama ile uzun ömürlü bir ürün sunar. Yüksek kaliteli tüm pirinç yapımdan yapılır, ANSI B16.11 ve SAE J512'nin tüm ilgili kodlarını karşılamak veya aşmaktadır. Bu ürün aşağıdaki uygulamalarda kullanılmak üzere tasarlanmıştır: klima (otomotiv AC hatları dahil), soğutucu akışkan hatları ve soğutucu yağ hatları, deniz, fren hatları, mobil yakıt hatları, motorlar vb.
Bu 3/4 "x 3/4" x 8 "Basınçlı conta contası ile montaj, endüstriyel boru hatlarınızdan talep ettiğiniz güvenilirliği, dayanıklılığı ve güvenliği elde etmenize yardımcı olabilir. Dökme pirinç gövdesi ve sağlam bir pirinç dönemi, sızıntı içermeyen çelik somun kaplaması herhangi bir korozyon sorununu önlemeye yardımcı olurken.

Bizimle iletişime geçin

Hakkında Cenaze

LEGINES Industrial Machinery Inc.

Profesyonel bir Çin pirinç armatürleri üreticileri ve takma tedarikçileri tedarikçileri olarak itin. Tam CNC işlemeyi benimser ve 3600 metrekarelik atölye alanına sahiptir. 45 otomatik takım tezgahı, 35 yarı otomatik CNC takım tezgahı ve Çin'de Amerikan standart pirinç parçalarının üretimi için önemli tedarikçiler haline gelen distribütörler ...
  • onur
  • onur

TALİMATLAR & HABERLER