legines.com
302 Pirinç Fren Hattı Birliği Bağlantı

302 Pirinç Fren Hattı Birliği Bağlantı

Ürün Özellikleri:
■■ Tüm pirinç inşaat
■■ Yanıcı sıvı ve gaz için listelenmiş
■■ SAE J512'nin işlevsel gereksinimlerini karşılıyor
■■ Ekonomi için Çelik Somun

Piyasalar: Uygulamalar:
■■ Klima ■■ Soğutucu
■■ Deniz ■■ Fren çizgileri
■■ Hareketli ■■ Yakıt hatları
■■ Motorlar

Uyumlu boru:
■■ Bakır
■■ Pirinç
■■ Alüminyum
■■ Kaynaklı çelik hidrolik boru

Referans Bölüm Hayır:
302 -2300 -42IFHD

Bize Ulaşın

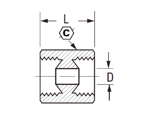
Spesifikasyonlar

PARÇA#

Inv.flare × Inv.flare

C

D

L

302-2

1/8 13/32 .78

.59

302-3

3/16 15/32 .125

.62

302-4 1/4 17/32 .188 .62

302-5

5/16 19/32 .219 .70

302-6

3/8 3/4 .281 .80
302-8 1/2

29/32

.406

.91

*Ref.Sae No.040101 BA

Bu sendika takma, klima hatları, soğutucu hatları, deniz, mobil yakıt hatları, motorlar ve şanzımanlar gibi her türlü uygulama için kullanılır. Pirinç yapıdan oluşur ve ekonomi için çelik bir somun vardır.
302 Serisi Pirinç Esnek Çizgi Birliği Bağlantısı, boru bölümlerini parlamaya bağlamak için kullanılır. 302 serisi fren hatları, yakıt hatları ve soğutma hatları için idealdir. Çelik somunu, hat birliğini yerine sabitlemek için kullanılır. 302 serisi bakır ve alüminyum tüp ile kullanılmak üzere tasarlanmıştır.
Bu pirinç birliği bağlantı kurma, boru bölümlerini hızlı ve güvenilir bir şekilde bağlamanızı sağlar. Isıya dayanıklı ve korozyon içermeyen pirinçten yapılmıştır. Uç bağlantı parçaları arasında sıkı bir conta sağlayan, sızıntıları veya sızıntıları azaltan Norprene kauçuk contası sayesinde takılması kolaydır. Birlik takma, bakır, pirinç veya alüminyumdan yapılmış boru ile uyumludur.
Bu birlik, iki parça tüpün bağlantısı için bir araç sağlar. Ana gövde ekonomi için çelik bir somun ile pirinçten yapılmıştır. Bir tüpe geçirilen çivili giriş, sendika fişinin gövdesindeki bir oluğa sığar ve pirinç bir parlamaya eklenir. İkinci tüp, istenirse kendi oluğuna yerleştirilebilen dahili bir pim ile güvenli bir şekilde sabitlenecek harici bir oluktan geçer. .

Bizimle iletişime geçin

Hakkında Cenaze

LEGINES Industrial Machinery Inc.

Profesyonel bir Çin pirinç armatürleri üreticileri ve takma tedarikçileri tedarikçileri olarak itin. Tam CNC işlemeyi benimser ve 3600 metrekarelik atölye alanına sahiptir. 45 otomatik takım tezgahı, 35 yarı otomatik CNC takım tezgahı ve Çin'de Amerikan standart pirinç parçalarının üretimi için önemli tedarikçiler haline gelen distribütörler ...
  • onur
  • onur

TALİMATLAR & HABERLER