legines.com
100 pirinç ters parlama fişli tüp somunu

100 pirinç ters parlama fişli tüp somunu

Ürün Özellikleri:
■■ Tüm pirinç inşaat
■■ Yanıcı sıvı ve gaz için listelenmiş
■■ SAE J512'nin işlevsel gereksinimlerini karşılıyor
■■ Ekonomi için Çelik Somun

Piyasalar: Uygulamalar:
■■ Klima ■■ Soğutucu
■■ Deniz ■■ Fren çizgileri
■■ Hareketli ■■ Yakıt hatları
■■ Motorlar

Uyumlu boru:
■■ Bakır
■■ Pirinç
■■ Alüminyum
■■ Kaynaklı çelik hidrolik boru

Referans Bölüm Hayır:
2100 41IF -100 -41IB

Bize Ulaşın

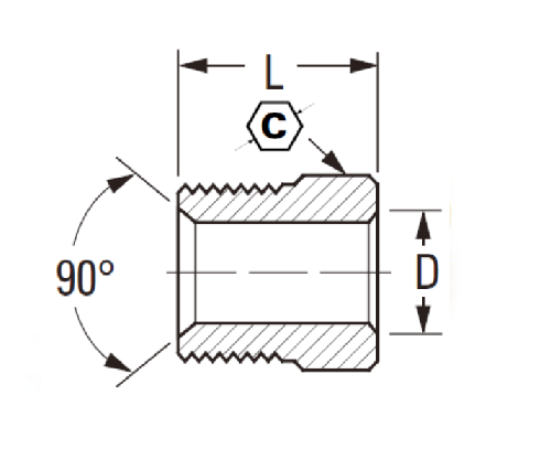
Spesifikasyonlar

PARÇA#

Tüp O.D

C

D

L

100-3

3/16 3/8 .196

.56

100-4

1/4 7/16 .259 .56

100-5

5/16 1/2 .321 .62

100-6

3/8 5/8 .384 .66

100-8

1/2

3/4

.508

.74

*Ref.Sae No.040110 BA

Sağlam ve ekonomik, bu ters parlama bağlantı noktası pirinçten yapılmıştır. Bağlantı, güvenlik için çelik bir somun içerir ve bakır, pirinç veya alüminyum tüp ile kullanılabilir. SAE J512'nin tüm fonksiyonel gereksinimlerini karşılar.
Tamamen pirinç yapı,% 100 ASME B16.28, SAE J512 ve SAE J5195.0 Kompresör bağlantı parçaları, buhar ve suyun yüksek sıcaklık uygulamalarında kullanılmak üzere tasarlanmıştır. Boru uyumluluğunu esiyor, herhangi bir çelik tüpe bağlanabilir veya 25 milimetreye kadar 1 inç'e kadar boru.
Yaygın olarak bir kuplör olarak bilinen bu ters parlama tertibat tüp somunu, aynı düzlemde iki parça boru bağlamak için tasarlanmıştır. Bağlantı, tüpün diğer ucundaki dişi parlamaya oturan bir parlama ucuna sahip çelik bir somun kullanır. Bu bağlantı parçaları, klimadan deniz ve mobil dizel motorlara kadar bir dizi uygulamada yaygın olarak kullanılır.
Ağır hizmet tipi - Bu ters parlama bağlantı parçaları tamamen pirinçten yapılmıştır ve bakır veya alüminyum tüp ile özel olarak kullanılmak üzere tasarlanmıştır. Her takma tamamen ayarlanabilir ve ağır hizmette inşaat, kullanım sırasında dayanıklılık sağlar.

Bizimle iletişime geçin

Hakkında Cenaze

LEGINES Industrial Machinery Inc.

Profesyonel bir Çin pirinç armatürleri üreticileri ve takma tedarikçileri tedarikçileri olarak itin. Tam CNC işlemeyi benimser ve 3600 metrekarelik atölye alanına sahiptir. 45 otomatik takım tezgahı, 35 yarı otomatik CNC takım tezgahı ve Çin'de Amerikan standart pirinç parçalarının üretimi için önemli tedarikçiler haline gelen distribütörler ...
  • onur
  • onur

TALİMATLAR & HABERLER