legines.com
502 Ters Flare Birlik Dirseği

502 Ters Flare Birlik Dirseği

Ürün Özellikleri:
■■ Tüm pirinç inşaat
■■ Yanıcı sıvı ve gaz için listelenmiş
■■ SAE J512'nin işlevsel gereksinimlerini karşılıyor
■■ Ekonomi için Çelik Somun

Piyasalar: Uygulamalar:
■■ Klima ■■ Soğutucu
■■ Deniz ■■ Fren çizgileri
■■ Hareketli ■■ Yakıt hatları
■■ Motorlar

Uyumlu boru:
■■ Bakır
■■ Pirinç
■■ Alüminyum
■■ Kaynaklı çelik hidrolik boru

Referans Bölüm Hayır:
502 -450

Bize Ulaşın

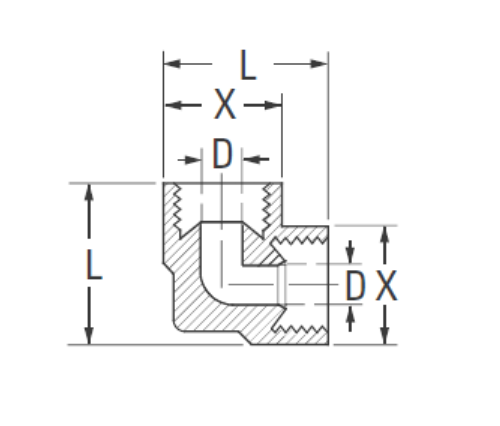
Spesifikasyonlar

PARÇA#

Tüp O.D

D

M

L

502-4 1/4 .188 .53 .77
*502-5 5/16 .219 .59 .86
*502-6 3/8 .281 .72 1.04

*Standart değil

*Ref.Sae No.040201 BA

502 Ters Flare Birlik Dirseği, parçanın akış aşağı tarafındaki boru için evrensel olarak uyumlu bir bağlantı sağlayan bir parlama birliğidir. Tüm pirinç yapıya sahiptir, yanıcı sıvı ve gaz için UL listelenir ve SAE J512'nin fonksiyonel gereksinimlerini karşılamaktadır. Ekonomi için Çelik Somun Lütfen Ref no.
Bu Birlik dirseği, soğutma ve klima sistemlerinde kullanılan bir sıhhi tesisat takımıdır. Tipik olarak bakır, gümüş veya pirinç tüplere bağlanır. Aranan bağlantı parçaları, tüpten yoğuşmayı boşaltmaya yardımcı olmak için drenaj delikleri içerir.

Bizimle iletişime geçin

Hakkında Cenaze

LEGINES Industrial Machinery Inc.

Profesyonel bir Çin pirinç armatürleri üreticileri ve takma tedarikçileri tedarikçileri olarak itin. Tam CNC işlemeyi benimser ve 3600 metrekarelik atölye alanına sahiptir. 45 otomatik takım tezgahı, 35 yarı otomatik CNC takım tezgahı ve Çin'de Amerikan standart pirinç parçalarının üretimi için önemli tedarikçiler haline gelen distribütörler ...
  • onur
  • onur

TALİMATLAR & HABERLER