legines.com
105l çelik tüp uzun iplik somunu

105l çelik tüp uzun iplik somunu

Ürün Özellikleri:
■■ Tüm pirinç inşaat
■■ Yanıcı sıvı ve gaz için listelenmiş
■■ SAE J512'nin işlevsel gereksinimlerini karşılıyor
■■ Ekonomi için Çelik Somun

Piyasalar: Uygulamalar:
■■ Klima ■■ Soğutucu
■■ Deniz ■■ Fren çizgileri
■■ Hareketli ■■ Yakıt hatları
■■ Motorlar

Uyumlu boru:
■■ Bakır
■■ Pirinç
■■ Alüminyum
■■ Kaynaklı çelik hidrolik boru

Referans Parça No:

Bize Ulaşın

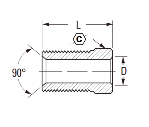
Spesifikasyonlar

PARÇA#

Tüp O.D

C

D

L

105L-3

3/16 3/8 .196

.844

105L-4

1/4 7/16 .257 .812

Bu bir pirinç yapıdır, 1/4 "O.D. malzemesine kadar tüp için uzun iplik somunudur. Yanıcı sıvı ve gaz için listelenen UL'ye sahiptir, SAE J512 ve UL 923/UL 181 standartlarının fonksiyonel gereksinimlerini karşılar ve FMVSS 135 ve FMVSS 302 spesifikasyonlarıyla uyumludur
Paslanmaz çelik boru fındık mı arıyorsunuz? Bu liste sizin için! 105L paslanmaz çelik tüp uzun iplik somunu, tüm pirinç yapıdan inşa edilen ve SAE J512'nin fonksiyonel gereksinimlerini karşılayan sıhhi tesisat sisteminize büyük bir yükseltmedir. Birçok boyutta gelir, bu yüzden onları kontrol ettiğinizden emin olun.

Bizimle iletişime geçin

Hakkında Cenaze

LEGINES Industrial Machinery Inc.

Profesyonel bir Çin pirinç armatürleri üreticileri ve takma tedarikçileri tedarikçileri olarak itin. Tam CNC işlemeyi benimser ve 3600 metrekarelik atölye alanına sahiptir. 45 otomatik takım tezgahı, 35 yarı otomatik CNC takım tezgahı ve Çin'de Amerikan standart pirinç parçalarının üretimi için önemli tedarikçiler haline gelen distribütörler ...
  • onur
  • onur

TALİMATLAR & HABERLER